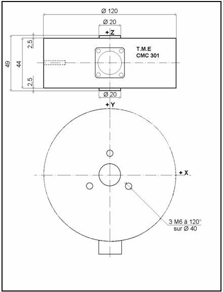
CMC 301


  • Ranges from 5 to 100 daN for Fx, Fy and Fz

  • Standard gages

  • Excellent linearity

  • Integrated overload stoppers

  • FMEA designed and validated

  • Very limited interaction

The multi axis CMC 301 sensor is designed for high precision measuement in 3 axis X, Y and Z. A perfect split between axis limits interactions to a minimum and simplifies the data process.

  • Crosstalk (%EM) : < 0,5 dans les 3 axes
  • Hysteresis deviation (%EM) : < +/-0,1
  • Linearity deviation (%EM) : < 0,2
  • Sealing : IP 65
  • Input resistance (Ohm) : 410 +/-10
  • Output resistance (Ohm) : 350 +/-1
  • Safe overload (%EM) : 150 sur chaque axe
  • Operating temperature (°C) : -20 à +80
  • Compensated temperature (°C) : +10 à +50
  • Excitation voltage (V) : 5 à 10

    Specific products

    For any specific need , do not hesitate to consult us. Our design office will develop for you a "tailor-made" product that meets your specifications.

    TME France

    130 avenue de Copenhague
    Parc d'activités de Signes
    83870 - SIGNES
    FRANCE

    Tél : (+33)4 94 10 00 51

    A TEAM OF EXPERTS
    AT YOUR SERVICE
    MANUFACTURING
    FRENCH
    SOLUTIONS
    PERSONALIZED
    Quality
    ISO 9001: 2015